
相關資訊

全國統一客服熱線:
021-57899261
電話:137-6109-6989
Email:wl-sales@tileblue.com
營銷中心:上海市松江區松衛北路567號13#7023
生產基地:上海市青浦區趙重公路1978號
產品詳情
聯系我們
產品概述:
防止設備本身產生的電磁干擾進入電源線,也防止電源線上的干擾進入設備,能有效抑止音頻設備的無線電干擾,廣泛用于開關電源,UPS,變頻器,電機驅動,電梯等設備
特性應用:
減少共模電流,從而減少軸承電流和電磁干擾;
減少電機噪聲,振動和發熱,從而延長電機壽命.
技術規格:
1.額定電壓:440VAC
2.工作頻率:50HZ/60HZ;
3.絕緣電阻:線到地500VDC≥1500MΩ
4.試驗電壓:(1分鐘)線與線1500VDC,線與地1500VAC/2250VDC
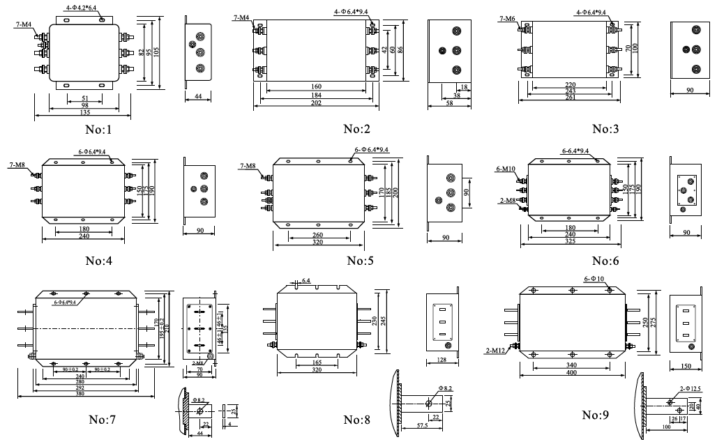
輸入濾波器產品尺寸圖380V
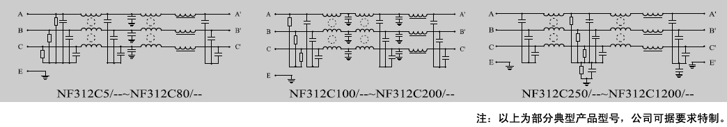
典型電路原理圖:
典型插入衰減:
上海瓦藍電子科技有限公司WL
0086-(21)57899261
輸入濾波器
訂購:輸入濾波器
跟此產品相關的產品